In this example we connect an LED to PB2 (Pin 14) of an Attiny 2313. The PWM output is obtained from the OC0A output of timer/counter0. Schematic Code Avr studio …
Category:
tinyAVR
-
-
This is a very similar example to our ATMEGA16 and LCD example. We simply connect our 16×2 LCD display to our Attiny2313 PORTB. Again for simplicity the code is written …
-
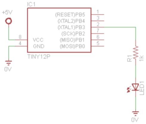
This was one of the first Attint chips that I looked at, so I decided to create a simple DIY development board (more on that later) and create some basic …
-
Similar to our previous example when we flashed a single LED, in this case we connect 3 LEDs up to Pin 5, 6 and 7 which are PB0,1 and 2. …
-
The hello world of examples this time for an ATTINY85, although this should work with similar chips as well. We will connect the LED to pin 2 (PB3) and simply …
